六欣 开云电竞首存活动集研发/生产/销售服务于一体

全国服务热线400-892-2003189-2584-2597

ebpay开云

热搜关键词: 浮动卡盘 hth华电竞和开云 ebpay开云 ebay开云棋牌

上一页
下一页

大通孔二爪卡盘

韩国瑞岩大通孔二爪卡盘CAHT系列

韩国瑞岩大通孔二爪卡盘CAHT系列是一款中空型大孔径夹具,二爪设计,适合夹持方型等不规则工件。

产品特点:

1、夹紧不规则工件 : 此卡盘在不规则工件夹紧时,显示出其优越性,尤其活用于方杆加工和使用棒料输送机对不规则工件进行夹紧。

2、性能好、精度高 : 此卡盘与CAH型卡盘结构相同,因此确保其优越的性能和质量,且附件和连接部件具有兼容性。

3、直接安装型 : 可直接安装在符合国际标准A型主轴的短锥安装面上。

服务热线: 400-892-2003
产品参数/ Product parameters
产品参数详情表
规格 主轴型号(-) 通孔直径(mm) 爪行程直径(mm) 柱塞行程(mm) 夹持力(max) 夹持力(min) 输入力(kgf) 静夹持力(kgf) 转速(r.p.m) 重量(kg) 转动惯性(-)
CAHT-06 A2-5 46 5.5 13 169 13 16.6(1700) 42(4284) 6000 12.3 2.20(0.22)
CAHT-08 A2-6 52 7.6 18 169 13 16.6(1700) 63(6398) 5000 21.7 6.86(0.70)
CAHT-10 A2-8 77 8.5 20 254 31 33.3(3400) 83.3(8493) 4200 33.7 12.55(1.28)
产品特点/ Product characteristics
  • 超大通孔设计

    超大通孔设计

    此卡盘具有比同类卡盘大的通孔,因此使用范围更加广泛,如棒料输送机进给加工。

  • 性能好、精度高

    性能好、精度高

    CAH型卡盘结构相同,因此确保其优越的性能和质量,且附件和连接部件具有兼容性。

  • 重量轻

    夹紧不规则工件

    用于方杆加工和使用棒料输送机对不规则工件进行夹紧。

  • 直接安装型

    直接安装型

    可直接安装在符合国际标准A型主轴的短锥安装面上。

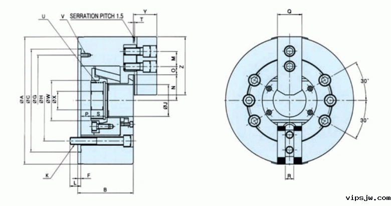
大通孔二爪卡盘尺寸表/ Indexing chuck process drawing

大通孔二爪卡盘尺寸表

大通孔二爪卡盘图纸

品牌中心/ Brand center

品牌中心LOGO

六欣优势/ liuxin advantage
  • 品质

    从原料到成品,经过108道工序,采用德制设备及检测仪器来完成整套加工工序,不合格品一律报废处理,确保产品出厂合格率.

  • 价格

    一手货源,没有中间商

  • 品牌

    产品被好的品牌选用,例如︰美国哈挺、日本津上、韩国斗山等

  • 精度

    广泛应用于航天航空、精密模具、医疗器械等夹持有精度要求的行业

  • 定制

    拥有设计团队,半小时内掌握需求,24小时内能出具方案给到您

  • 货源

    全国多个仓库,就近发货

  • 服务

    3分钟内响应、当天了解、分析、解决客户对卡盘等夹具出现的一切顾虑问题


  • 选配

    一线品牌,一级代理,快速选配,技术支持

热品推荐 / Hot product

千岛三爪中空液压卡盘

千岛三爪中空液压卡盘OP

台湾千岛chandox三爪中空液压卡盘OP系列是一款中空卡盘,搭配中空型油缸和拉杆一起工作;通孔设计工件可以穿过卡盘,一般适合夹持圆棒工件。产品优势:1、优选材质,端面经硬化处理及精密研磨而成,耐用性强。2、产品被好的品牌选用,例如:美国哈挺、日本津上、韩国斗山等。应用场景:主要应用于数控车床,CNC加工中心等机床设备夹持工件的作用。
千岛二爪中空液压卡盘

千岛二爪中空液压卡盘OPT

台湾千岛chandox二爪中空液压卡盘OPT系列是一款二爪卡盘,此款卡盘适合夹持不规则工件,如方形工件等。产品优势:1、从原料到成品,经过108道工序精密研磨,采用德制设备及检测仪器来完成整套加工工序,不合格品一律报废处理,确保产品出厂合格率达100%。2、产品被好的品牌选用,例如:美国哈挺、日本津上、韩国斗山等。应用场景:主要应用于数控车床,CNC加工中心等机床设备夹持工件的作用。
千岛四爪中空液压卡盘

千岛四爪中空液压卡盘OPF

台湾千岛chandox四爪中空液压卡盘OPF系列是一款中空设计的夹具,通孔设计工件可以穿过卡盘,一般适合夹持圆棒或者不规则工件。产品优势:1、从原料到成品,经过108道工序精密研磨,采用德制设备及检测仪器来完成整套加工工序,不合格品一律报废处理,确保产品出厂合格率达100%。2、产品被好的品牌选用,例如:美国哈挺、日本津上、韩国斗山等。应用场景:主要应用于数控车床,CNC加工中心等机床设备夹持工件的作用。
千岛立车用中实卡盘

千岛立车用中实卡盘CL-DP

台湾千岛chandox立车用中实卡盘CL-DP系列是一款中实设计的夹具,一般使用在立车上,适合夹持超大型工件。产品优势:1、从原料到成品,经过108道工序精密研磨,采用德制设备及检测仪器来完成整套加工工序,不合格品一律报废处理,确保产品出厂合格率达100%。2、产品被好的品牌选用,例如:美国哈挺、日本津上、韩国斗山等。应用场景:主要应用于CNC加工中心等机床设备夹持工件的作用。
全国服务热线: 400-892-2003
Baidu
ios开云电竞