-
中空设计
中空设计,配合中空油缸工作,工件可穿过卡盘。
-
长行程设计
要夹紧的部位要求行程大的结构时使用
-
标准结构
三爪中空标准卡盘形式上具有卡爪行程大的功能。
-
优选材质
使用优质的钢材,精密研磨,使用寿命长。

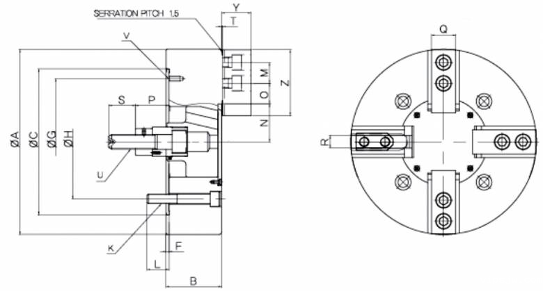
韩国瑞岩中空长行程三爪卡盘CAHL系列是一款中空型超长行程动力卡盘, 三爪设计,适合夹持圆棒类等工件。
产品特点:
1、要夹紧的部位要求行程大的结构时使用。
2、三爪中空标准卡盘形式上具有卡爪行程大的功能。
3、中空设计,配合中空油缸工作,工件可穿过卡盘。
| 产品参数详情表 | ||||||||||||
| 规格 | 通孔直径(mm) | 爪行程直径(mm) | 柱塞行程(mm) | 夹持力(max) | 夹持力(min) | 输入力(kgf) | 静夹持力(kgf) | 转速(r.p.m) | 重量(kg) | 转动惯性(-) | ||
| CAHL-08 | 46 | 14.5 | 20 | 210 | 13 | 40(4080) | 74(7500) | 3000 | 23.6 | 6.90(0.71) | ||
| CAHL-10 | 52 | 18 | 25 | 254 | 21 | 50(5100) | 93(9500) | 2500 | 40 | 14.85(1.52) | ||
| CAHL-12 | 77 | 21.8 | 30 | 304 | 31 | 58(5916) | 108(11000) | 1900 | 64 | 30.00(3.06) | ||
中空设计,配合中空油缸工作,工件可穿过卡盘。
要夹紧的部位要求行程大的结构时使用
三爪中空标准卡盘形式上具有卡爪行程大的功能。
使用优质的钢材,精密研磨,使用寿命长。
品牌中心/ Brand center
从原料到成品,经过108道工序,采用德制设备及检测仪器来完成整套加工工序,不合格品一律报废处理,确保产品出厂合格率.
一手货源,没有中间商
产品被好的品牌选用,例如︰美国哈挺、日本津上、韩国斗山等
广泛应用于航天航空、精密模具、医疗器械等夹持有精度要求的行业
拥有设计团队,半小时内掌握需求,24小时内能出具方案给到您
全国多个仓库,就近发货
3分钟内响应、当天了解、分析、解决客户对卡盘等夹具出现的一切顾虑问题
一线品牌,一级代理,快速选配,技术支持
微信咨询
400电话