-
3爪夹持
可拉住的同时夹紧(以加工好的工件外径为准);
-
夹持的范围大
夹持的范围大,可以更换顶部的夹爪,加工多个机种;
-
平行度和垂直度极高
工件平行度和垂直度极高;
-
防尘防屑
可防止异物进入卡盘本体内,结构可靠、耐用;

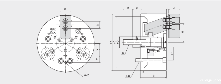
韩国三千里3爪外后拉卡盘DDL系列是一款后拉式卡盘,可拉住的同时夹紧(以加工好的工件外径为准)。
产品特点:
1.夹持的范围大,可以更换顶部的夹爪,加工多个机种;
2.工件平行度和垂直度极高;
3.可防止异物进入卡盘本体内,结构可靠、耐用。
| 产品参数详情表 | ||||||||||
| 规格 | 最大拉杆拉力(kgf) | 最大拉杆拉力(kgf) | 卡爪行程(mm) | 柱塞行程(mm) | 夹持范围(standard) | 夹持范围(Top Jaw) | 最大转速(r.p.m) | 重量[kg] | 转动惯性[kgf.m²] | |
| DDL-04 | 1350 | 800 | 5 | 7 | 10-55 | 15-50 | 5500 | 4.5 | 0.05 | |
| DDL-05 | 2000 | 1000 | 5.0 | 7 | 15-65 | 15-60 | 3500 | 7.3 | 0.07 | |
| DDL-06 | 2500 | 1500 | 7.2 | 10 | 35-85 | 35-80 | 3500 | 14 | 0.18 | |
| DDL-08 | 4500 | 2500 | 7.2 | 10 | 40-200 | 40-150 | 3000 | 27 | 0.66 | |
| DDL-10 | 6000 | 3500 | 10.8 | 15 | 50-250 | 50-200 | 2500 | 46 | 1.50 | |
| DDL-12 | 7500 | 4500 | 10.8 | 15 | 50-300 | 50-250 | 2000 | 68 | 3.2 | |
可拉住的同时夹紧(以加工好的工件外径为准);
夹持的范围大,可以更换顶部的夹爪,加工多个机种;
工件平行度和垂直度极高;
可防止异物进入卡盘本体内,结构可靠、耐用;
品牌中心/ Brand center
从原料到成品,经过108道工序,采用德制设备及检测仪器来完成整套加工工序,不合格品一律报废处理,确保产品出厂合格率.
一手货源,没有中间商
产品被好的品牌选用,例如︰美国哈挺、日本津上、韩国斗山等
广泛应用于航天航空、精密模具、医疗器械等夹持有精度要求的行业
拥有设计团队,半小时内掌握需求,24小时内能出具方案给到您
全国多个仓库,就近发货
3分钟内响应、当天了解、分析、解决客户对卡盘等夹具出现的一切顾虑问题
一线品牌,一级代理,快速选配,技术支持
微信咨询
400电话