-
中实超薄设计
中实超薄设计,短型轻量,高转速;
-
装置内置型
空气供应装置内置型,带接近开关的中实型超薄回转油缸;
-
防过压设计
内置Lock Valve,防过压,预防液压缸受损,停电或压力急降时保持推力;
-
安装空间最小化
无需旋转接头,安装空间最小化;

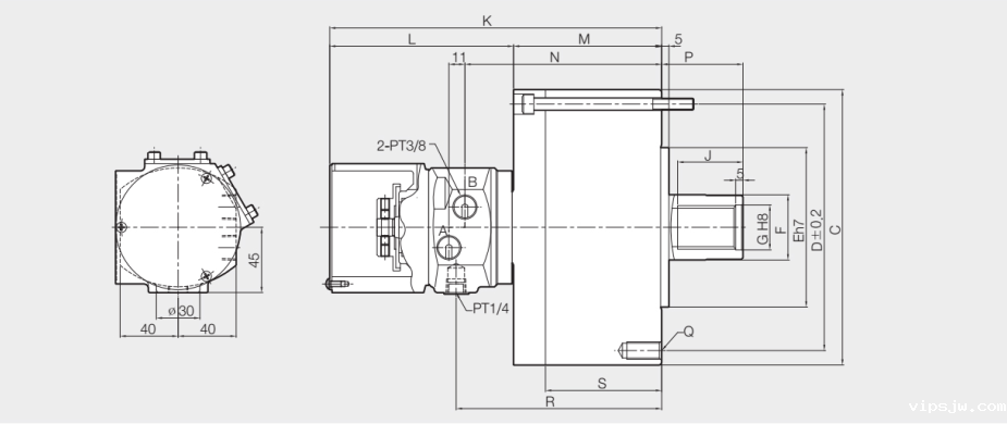
韩国三千里短体中实油压缸(带接近开关)YH-RE系列,是一款超薄型中实油缸,带接近开关S/W安装。
产品特点:
1.中实超薄设计,短型轻量,高转速;
2.内置Lock Valve,防过压,预防液压缸受损,停电或压力急降时保持推力;
| 产品参数详情表 | ||||||||||
| 规格 | 活塞行程(mm) | 活塞面积(Push) | 活塞面积(Pull) | 活塞推力(Push) | 活塞推力(Pull) | 最大工作压力(kgf/cm²) | 允许最大转速(min) | 重量[kg] | 惯性力矩[kg.m²] | |
| YH-10120RE | 20 | 78 | 73 | 29(2960) | 27(2770) | 40(40.8) | 6000 | 7.6 | 0.49(0.05) | |
| YH-10125RE | 25 | 78 | 73 | 29(2960) | 27(2770) | 40(40.8) | 6000 | 7.7 | 0.49(0.05) | |
| YH-12125RE | 25 | 114 | 106 | 42(4326) | 39(4022) | 40(40.8) | 6000 | 10.5 | 0.88(0.09) | |
中实超薄设计,短型轻量,高转速;
空气供应装置内置型,带接近开关的中实型超薄回转油缸;
内置Lock Valve,防过压,预防液压缸受损,停电或压力急降时保持推力;
无需旋转接头,安装空间最小化;
品牌中心/ Brand center
从原料到成品,经过108道工序,采用德制设备及检测仪器来完成整套加工工序,不合格品一律报废处理,确保产品出厂合格率.
一手货源,没有中间商
产品被好的品牌选用,例如︰美国哈挺、日本津上、韩国斗山等
广泛应用于航天航空、精密模具、医疗器械等夹持有精度要求的行业
拥有设计团队,半小时内掌握需求,24小时内能出具方案给到您
全国多个仓库,就近发货
3分钟内响应、当天了解、分析、解决客户对卡盘等夹具出现的一切顾虑问题
一线品牌,一级代理,快速选配,技术支持
微信咨询
400电话