-
两爪夹持
以工件的外径为夹持基准,两爪夹持工件;
-
不规则工件
适用于外径形状为方型或不规则的工件;
-
平行度和垂直度极高
工件平行度和垂直度极高;
-
后拉设计
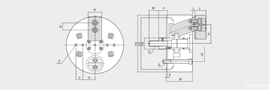
卡爪可根据工件需求非标定制;

韩国三千里外后拉2爪卡盘DDT系列是一款后拉式卡盘,以工件的外径为夹持基准,两爪夹持工件。
产品特点:
1.适用于外径形状为方型或不规则的工件;
2.工件平行度和垂直度极高;
| 产品参数详情表 | ||||||||||
| 规格 | 最大拉杆拉力(kgf) | 最大拉杆拉力(kgf) | 卡爪行程(mm) | 柱塞行程(mm) | 夹持范围(standard) | 夹持范围(Top Jaw) | 最大转速(r.p.m) | 重量[kg] | 转动惯性[kgf.m²] | |
| DDT-06 | 1600 | 1000 | 7.2 | 11.0 | 35-85 | 35-80 | 2500 | 14 | 0.19 | |
| DDT-08 | 2800 | 1700 | 7.2 | 11.0 | 40-200 | 40-150 | 2200 | 26 | 0.57 | |
| DDT-10 | 4000 | 2500 | 10.2 | 16.0 | 50-250 | 50-200 | 1800 | 42 | 1.5 | |
以工件的外径为夹持基准,两爪夹持工件;
适用于外径形状为方型或不规则的工件;
工件平行度和垂直度极高;
卡爪可根据工件需求非标定制;
品牌中心/ Brand center
从原料到成品,经过108道工序,采用德制设备及检测仪器来完成整套加工工序,不合格品一律报废处理,确保产品出厂合格率.
一手货源,没有中间商
产品被好的品牌选用,例如︰美国哈挺、日本津上、韩国斗山等
广泛应用于航天航空、精密模具、医疗器械等夹持有精度要求的行业
拥有设计团队,半小时内掌握需求,24小时内能出具方案给到您
全国多个仓库,就近发货
3分钟内响应、当天了解、分析、解决客户对卡盘等夹具出现的一切顾虑问题
一线品牌,一级代理,快速选配,技术支持
微信咨询
400电话