-
短工件夹持
适用于夹持长度较短的工件;
-
本体后拉
平动卡爪夹持工件内径定心,然后整个卡盘本体后拉;
-
夹持精度稳定
工件紧靠在定位面上,可保证工件卓越的垂直度与平行度;
-
非标设计
卡爪可根据工件需求非标定制;


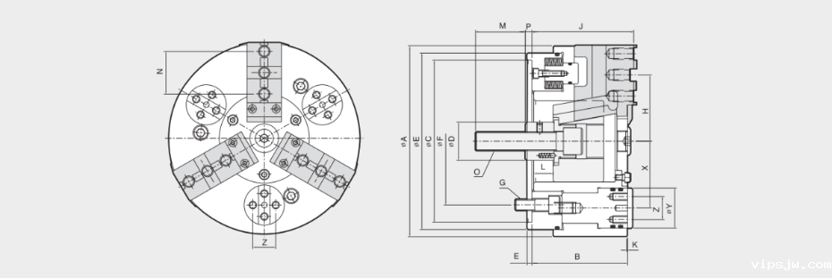
韩国三千里内下拉动力卡盘PHDN系列是一款非标类型卡盘,适用于夹持长度较短的工件。
产品特点:
1.平动卡爪夹持工件内径定心,然后整个卡盘本体后拉;
2.使工件紧靠在定位面上,可保证工件卓越的垂直度与平行度;
| 产品参数详情表 | |||||||||
| 规格 | 最大拉杆拉力(kgf) | 最大拉杆拉力(kgf) | 卡爪行程(mm) | 柱塞行程(mm) | 最大转速(r.p.m) | 限位拉伸力(kgf) | 重量[kg] | ||
| PHDN-200 | 8100 | 3000 | 8.5 | 24 | 3500 | 200 | 21 | ||
| PHDN-250 | 11000 | 4000 | 10.5 | 30 | 3000 | 300 | 37 | ||
| PHDN-300 | 13500 | 5000 | 12 | 34 | 2500 | 300 | 54 | ||
| PHDN-380 | 16500 | 6000 | 12 | 34 | 200 | 450 | 95 | ||
适用于夹持长度较短的工件;
平动卡爪夹持工件内径定心,然后整个卡盘本体后拉;
工件紧靠在定位面上,可保证工件卓越的垂直度与平行度;
卡爪可根据工件需求非标定制;
品牌中心/ Brand center
从原料到成品,经过108道工序,采用德制设备及检测仪器来完成整套加工工序,不合格品一律报废处理,确保产品出厂合格率.
一手货源,没有中间商
产品被好的品牌选用,例如︰美国哈挺、日本津上、韩国斗山等
广泛应用于航天航空、精密模具、医疗器械等夹持有精度要求的行业
拥有设计团队,半小时内掌握需求,24小时内能出具方案给到您
全国多个仓库,就近发货
3分钟内响应、当天了解、分析、解决客户对卡盘等夹具出现的一切顾虑问题
一线品牌,一级代理,快速选配,技术支持
微信咨询
400电话