-
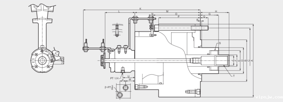
中实双活塞设计
中实型带锁紧阀门双活塞油缸,两个活塞独立工作;
-
双作用型联动
与HCWF双作用型联动使用,可用于立式、水平机床;
-
4个液压port组成
用于HCWF Chuck,由4个液压port组成;
-
旋转接头
安装旋转接头时,可使用coolant air sensing;

韩国三千里双活塞旋转油缸[锁阀型]DYV系列,是一款中实型带锁紧阀门双活塞油缸,两个活塞独立工作 ,与HCWF双作用型联动使用,可用于立式、水平机床。
产品特点:
1.中实设计,短型轻量,高转速;
2.用于HCWF Chuck,由4个液压port组成;
3.安装旋转接头时,可使用coolant air sensing。
| 产品参数详情表 | ||||||||||
| 规格 | 活塞行程(mm) | 活塞面积(Push) | 活塞面积(Pull) | 活塞推力(Push) | 活塞推力(Pull) | 最大工作压力(kgf/cm²) | 允许最大转速(min) | 重量[kg] | 惯性力矩[kg.m²] | |
| DYV-21560(Piston A) | 60 | 363 | 301 | 16.9(1724) | 13.9(1420) | 5.1(50) | 3200 | 92 | 0.89 | |
| DYV-21560(Piston B) | 60 | 254 | 238 | 11.8(1206) | 11.1(1130) | 5.1(50) | 3200 | 92 | 0.89 | |
中实型带锁紧阀门双活塞油缸,两个活塞独立工作;
与HCWF双作用型联动使用,可用于立式、水平机床;
用于HCWF Chuck,由4个液压port组成;
安装旋转接头时,可使用coolant air sensing;
品牌中心/ Brand center
从原料到成品,经过108道工序,采用德制设备及检测仪器来完成整套加工工序,不合格品一律报废处理,确保产品出厂合格率.
一手货源,没有中间商
产品被好的品牌选用,例如︰美国哈挺、日本津上、韩国斗山等
广泛应用于航天航空、精密模具、医疗器械等夹持有精度要求的行业
拥有设计团队,半小时内掌握需求,24小时内能出具方案给到您
全国多个仓库,就近发货
3分钟内响应、当天了解、分析、解决客户对卡盘等夹具出现的一切顾虑问题
一线品牌,一级代理,快速选配,技术支持
微信咨询
400电话