六欣 开云电竞首存活动集研发/生产/销售服务于一体

全国服务热线400-892-2003189-2584-2597

ebpay开云

热搜关键词: 浮动卡盘 hth华电竞和开云 ebpay开云 ebay开云棋牌

上一页
下一页

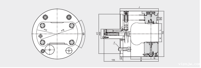
韩国三千里自动分度卡盘IAN系列

韩国三千里自动分度卡盘IAN系列

韩国三千里自动分度卡盘IAN系列是一款90°或120°分度卡盘,一次夹紧可以进行多位面加工,从而提高加工效率,节省成本。

产品特点:

1.可在主轴旋转中进行自动分度;

2.可分割成3*120°和4*90°,获得高分割精密度;

3.内装止回阀,在发生停电等紧急情况时也可以确保安全性;

服务热线: 400-892-2003
产品参数/ Product parameters
产品参数详情表
规格 夹紧活塞面积(cm²) 最大压力(kgf.m²) 最大转速(r.p.m) 重量(kg) 转动惯性[kgf.m²]
IAN-235 30 45 3000 32 0.27
IAN-254 43 45 2500 45 0.47
IAN-280 43 45 2300 55 0.88
产品特点/ Product characteristics
  • 90°或120°分度

    90°或120°分度

    90°或120°分度卡盘,一次夹紧可以进行多位面加工,从而提高加工效率,节省成本;

  • 自动移换角度

    自动移换角度

    可在主轴旋转中进行自动分度;

  • 高分割精密度

    高分割精密度

    可分割成3*120°和4*90°,获得高分割精密度;

  • 内装止回阀

    内装止回阀

    内装止回阀,在发生停电等紧急情况时也可以确保安全性;

分度卡盘工艺图/ Indexing chuck process drawing

分度卡盘

分度卡盘索引位置/ Indexing Chuck Index Position

自动分度卡盘

分度卡盘加工件/ Indexing Chuck Machining Parts

分度卡盘

品牌中心/ Brand center

品牌中心LOGO

六欣优势/ liuxin advantage
  • 品质

    从原料到成品,经过108道工序,采用德制设备及检测仪器来完成整套加工工序,不合格品一律报废处理,确保产品出厂合格率.

  • 价格

    一手货源,没有中间商

  • 品牌

    产品被好的品牌选用,例如︰美国哈挺、日本津上、韩国斗山等

  • 精度

    广泛应用于航天航空、精密模具、医疗器械等夹持有精度要求的行业

  • 定制

    拥有设计团队,半小时内掌握需求,24小时内能出具方案给到您

  • 货源

    全国多个仓库,就近发货

  • 服务

    3分钟内响应、当天了解、分析、解决客户对卡盘等夹具出现的一切顾虑问题


  • 选配

    一线品牌,一级代理,快速选配,技术支持

热品推荐 / Hot product

千岛三爪中空液压卡盘

千岛三爪中空液压卡盘OP

台湾千岛chandox三爪中空液压卡盘OP系列是一款中空卡盘,搭配中空型油缸和拉杆一起工作;通孔设计工件可以穿过卡盘,一般适合夹持圆棒工件。产品优势:1、优选材质,端面经硬化处理及精密研磨而成,耐用性强。2、产品被好的品牌选用,例如:美国哈挺、日本津上、韩国斗山等。应用场景:主要应用于数控车床,CNC加工中心等机床设备夹持工件的作用。
千岛二爪中空液压卡盘

千岛二爪中空液压卡盘OPT

台湾千岛chandox二爪中空液压卡盘OPT系列是一款二爪卡盘,此款卡盘适合夹持不规则工件,如方形工件等。产品优势:1、从原料到成品,经过108道工序精密研磨,采用德制设备及检测仪器来完成整套加工工序,不合格品一律报废处理,确保产品出厂合格率达100%。2、产品被好的品牌选用,例如:美国哈挺、日本津上、韩国斗山等。应用场景:主要应用于数控车床,CNC加工中心等机床设备夹持工件的作用。
千岛四爪中空液压卡盘

千岛四爪中空液压卡盘OPF

台湾千岛chandox四爪中空液压卡盘OPF系列是一款中空设计的夹具,通孔设计工件可以穿过卡盘,一般适合夹持圆棒或者不规则工件。产品优势:1、从原料到成品,经过108道工序精密研磨,采用德制设备及检测仪器来完成整套加工工序,不合格品一律报废处理,确保产品出厂合格率达100%。2、产品被好的品牌选用,例如:美国哈挺、日本津上、韩国斗山等。应用场景:主要应用于数控车床,CNC加工中心等机床设备夹持工件的作用。
千岛立车用中实卡盘

千岛立车用中实卡盘CL-DP

台湾千岛chandox立车用中实卡盘CL-DP系列是一款中实设计的夹具,一般使用在立车上,适合夹持超大型工件。产品优势:1、从原料到成品,经过108道工序精密研磨,采用德制设备及检测仪器来完成整套加工工序,不合格品一律报废处理,确保产品出厂合格率达100%。2、产品被好的品牌选用,例如:美国哈挺、日本津上、韩国斗山等。应用场景:主要应用于CNC加工中心等机床设备夹持工件的作用。
全国服务热线: 400-892-2003
Baidu
ios开云电竞