六欣 开云电竞首存活动集研发/生产/销售服务于一体

全国服务热线400-892-2003189-2584-2597

ebpay开云

热搜关键词: 浮动卡盘 hth华电竞和开云 ebpay开云 ebay开云棋牌

上一页
下一页

瑞岩超大通孔回转油缸

瑞岩超大通孔回转油缸YSH系列

韩国瑞岩SEOAM超大通孔回转油缸YSH系列一款大孔径型油缸,此回转油缸实现VAH型油缸与连接部的兼容性。

产品特点:

1.体积小、重量轻 : 与VAH型油缸相比长度缩短了30%,达到体积小、重量轻、高速化的效果。

2.保障安全 : 此回转油缸带有单向阀,当断电时,压力仍可保持一段时间,因此确保安全。

3.防泄漏设计(专利注册:0172805) : 回转油缸主体采取防泄漏设计,完全消除漏的可能性。

服务热线: 400-892-2003
产品参数/ Product parameters
产品参数详情表
规格 允许转速(r.p.m) 重量(kg) 转动惯量(-) 活塞行程(mm) 通孔直径(mm) 活塞表面积扩大(-) 活塞表面积缩回(-) 拉杆拉伸(-) 拉杆拉回(-) 操作压力(-)
YSH-06 7000 9.5 0.20(0.021) 16 46 107.29 95.53 39(4025) 35(3586) 40.8
YSH-08 6200 13.5 0.39(0.040) 22 52 159.77 148.62 57.6(5879) 53.6(5469) 40.8
YSH-10 5000 16.8 0.81(0.083) 25 77 209 193.9 77.9(7944) 72.1(7357) 40.8
产品特点/ Product characteristics
  • 体积小、重量轻

    体积小、重量轻

    与VAH型油缸相比长度缩短了30%,达到体积小、重量轻、高速化的效果。

  • 防泄漏设计

    防泄漏设计

    回转油缸主体采取防泄漏设计,完全消除漏的可能性。

  • 动力强大

    动力强大

    当回转油缸重量减轻及拉力加大时,仍可保证最高的机械效率和强大的动力。

  • 保障安全

    保障安全

    此回转油缸带有单向阀,当断电时,压力仍可保持一段时间,因此确保安全。

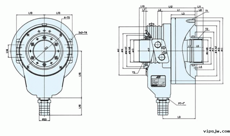
尺寸表/ Indexing chuck process drawing

瑞岩超大通孔油缸尺寸表

瑞岩超大通孔油缸图纸

品牌中心/ Brand center

品牌中心LOGO

六欣优势/ liuxin advantage
  • 品质

    从原料到成品,经过108道工序,采用德制设备及检测仪器来完成整套加工工序,不合格品一律报废处理,确保产品出厂合格率.

  • 价格

    一手货源,没有中间商

  • 品牌

    产品被好的品牌选用,例如︰美国哈挺、日本津上、韩国斗山等

  • 精度

    广泛应用于航天航空、精密模具、医疗器械等夹持有精度要求的行业

  • 定制

    拥有设计团队,半小时内掌握需求,24小时内能出具方案给到您

  • 货源

    全国多个仓库,就近发货

  • 服务

    3分钟内响应、当天了解、分析、解决客户对卡盘等夹具出现的一切顾虑问题


  • 选配

    一线品牌,一级代理,快速选配,技术支持

热品推荐 / Hot product

千岛三爪中空液压卡盘

千岛三爪中空液压卡盘OP

台湾千岛chandox三爪中空液压卡盘OP系列是一款中空卡盘,搭配中空型油缸和拉杆一起工作;通孔设计工件可以穿过卡盘,一般适合夹持圆棒工件。产品优势:1、优选材质,端面经硬化处理及精密研磨而成,耐用性强。2、产品被好的品牌选用,例如:美国哈挺、日本津上、韩国斗山等。应用场景:主要应用于数控车床,CNC加工中心等机床设备夹持工件的作用。
千岛二爪中空液压卡盘

千岛二爪中空液压卡盘OPT

台湾千岛chandox二爪中空液压卡盘OPT系列是一款二爪卡盘,此款卡盘适合夹持不规则工件,如方形工件等。产品优势:1、从原料到成品,经过108道工序精密研磨,采用德制设备及检测仪器来完成整套加工工序,不合格品一律报废处理,确保产品出厂合格率达100%。2、产品被好的品牌选用,例如:美国哈挺、日本津上、韩国斗山等。应用场景:主要应用于数控车床,CNC加工中心等机床设备夹持工件的作用。
千岛四爪中空液压卡盘

千岛四爪中空液压卡盘OPF

台湾千岛chandox四爪中空液压卡盘OPF系列是一款中空设计的夹具,通孔设计工件可以穿过卡盘,一般适合夹持圆棒或者不规则工件。产品优势:1、从原料到成品,经过108道工序精密研磨,采用德制设备及检测仪器来完成整套加工工序,不合格品一律报废处理,确保产品出厂合格率达100%。2、产品被好的品牌选用,例如:美国哈挺、日本津上、韩国斗山等。应用场景:主要应用于数控车床,CNC加工中心等机床设备夹持工件的作用。
千岛立车用中实卡盘

千岛立车用中实卡盘CL-DP

台湾千岛chandox立车用中实卡盘CL-DP系列是一款中实设计的夹具,一般使用在立车上,适合夹持超大型工件。产品优势:1、从原料到成品,经过108道工序精密研磨,采用德制设备及检测仪器来完成整套加工工序,不合格品一律报废处理,确保产品出厂合格率达100%。2、产品被好的品牌选用,例如:美国哈挺、日本津上、韩国斗山等。应用场景:主要应用于CNC加工中心等机床设备夹持工件的作用。
全国服务热线: 400-892-2003
Baidu
ios开云电竞