-
后拉设计
用于夹紧锻件、铸件,并且夹紧力强。
-
内径夹持
与标准液压卡盘一样具有很多功能可使用,并且用于夹紧工件外经。
-
平行度使用
后拉及夹紧工件,因此对平行度要求较高时使用。
-
优选材质
使用优质的钢材,精密研磨,使用寿命长。

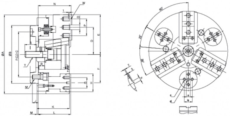
韩国瑞岩SEOAM内径用3爪后拉卡盘(SM-PDI)是一款后拉式动力卡盘, 后拉设计,适合夹持圆棒类锻件、铸件等工件。
产品特点:
1、用于夹紧锻件、铸件,并且夹紧力强。
2、与标准液压卡盘一样具有很多功能可使用,并且用于夹紧工件外经。
3、后拉及夹紧工件,因此对平行度要求较高时使用。
| 产品参数详情表 | ||||||||||||
| 规格 | 爪行程直径(mm) | 柱塞行程(mm) | 夹持力(max) | 夹持力(min) | 输入力(kgf) | 静夹持力(kgf) | 转速(r.p.m) | 重量(kg) | ||||
| SM-PDO 250 | 10.57 | 30 | 180 | 48 | 40(4081) | 108(11020) | 3000 | 37 | ||||
| SM-PDO 300 | 11.99 | 34 | 220 | 65 | 50(5105) | 135(13775) | 2500 | 54 | ||||
| SM-PDO 380 | 11.99 | 34 | 270 | 80 | 60(6122) | 165(16836) | 1600 | 95 | ||||
用于夹紧锻件、铸件,并且夹紧力强。
与标准液压卡盘一样具有很多功能可使用,并且用于夹紧工件外经。
后拉及夹紧工件,因此对平行度要求较高时使用。
使用优质的钢材,精密研磨,使用寿命长。
品牌中心/ Brand center
从原料到成品,经过108道工序,采用德制设备及检测仪器来完成整套加工工序,不合格品一律报废处理,确保产品出厂合格率.
一手货源,没有中间商
产品被好的品牌选用,例如︰美国哈挺、日本津上、韩国斗山等
广泛应用于航天航空、精密模具、医疗器械等夹持有精度要求的行业
拥有设计团队,半小时内掌握需求,24小时内能出具方案给到您
全国多个仓库,就近发货
3分钟内响应、当天了解、分析、解决客户对卡盘等夹具出现的一切顾虑问题
一线品牌,一级代理,快速选配,技术支持
微信咨询
400电话