-
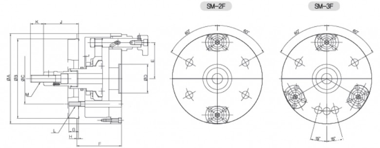
二三爪设计
指型动力卡盘,有二爪和三爪两种规格。
-
内外径夹持
把不可夹紧内外径的工件后拉端面夹紧。
-
可与定位块配合
需要辅助装置可定位工件或定心。
-
优选材质
使用优质的钢材,精密研磨,使用寿命长。

韩国瑞岩SEOAM指型卡盘(SM-2F,3F)是一款指型动力卡盘,有二爪和三爪两种规格。
产品特点:
1.把不可夹紧内外径的工件后拉端面夹紧。
2.需要辅助装置可定位工件或定心。
| 产品参数详情表 | ||||||||||||
| 规格 | 柱塞行程(mm) | 最大输入力(kgf) | 静夹持力(kgf) | 转速(r.p.m) | 重量(kg) | 配套气缸 | 下颌摆动 | 上颌摆动 | ||||
| SM-2F,-3F 06 | 15 | 17.65(1800) | 13.73(1400) | 3600 | 11 | YAH-100 | 11 | 4 | ||||
| SM-2F,-3F 08 | 20 | 26.47(2700) | 20.59(2100) | 2900 | 21 | YAS-125 | 15 | 5 | ||||
| SM-2F,-3F 10 | 25 | 35.29(3600) | 27.45(2800) | 2400 | 35 | YAS-150 | 20 | 5 | ||||
指型动力卡盘,有二爪和三爪两种规格。
把不可夹紧内外径的工件后拉端面夹紧。
需要辅助装置可定位工件或定心。
使用优质的钢材,精密研磨,使用寿命长。
品牌中心/ Brand center
从原料到成品,经过108道工序,采用德制设备及检测仪器来完成整套加工工序,不合格品一律报废处理,确保产品出厂合格率.
一手货源,没有中间商
产品被好的品牌选用,例如︰美国哈挺、日本津上、韩国斗山等
广泛应用于航天航空、精密模具、医疗器械等夹持有精度要求的行业
拥有设计团队,半小时内掌握需求,24小时内能出具方案给到您
全国多个仓库,就近发货
3分钟内响应、当天了解、分析、解决客户对卡盘等夹具出现的一切顾虑问题
一线品牌,一级代理,快速选配,技术支持
微信咨询
400电话