-
拉动工件的功能
由于具有拉动工件的功能,所以在加工后可对工件进行深度加工。
-
防尘防水
由于具有防尘结构,卡盘内部不会有异物进入,所以具有优良的耐用性。
-
端面精度高
两爪型卡盘,卡紧加工后保证工件端面的高精度性。
-
不规则零件加工
适合于非圆型件的不规则零件加工。

韩国绅纲二爪外径型卡盘SPO-T系列是一款二爪外径卡盘,以固定外径来卡紧工件加工,适合不规则工件的加工。
产品特点:
1.两爪型卡盘,卡紧加工后保证工件端面的高精度性。
2.适合于非圆型件的不规则零件加工。
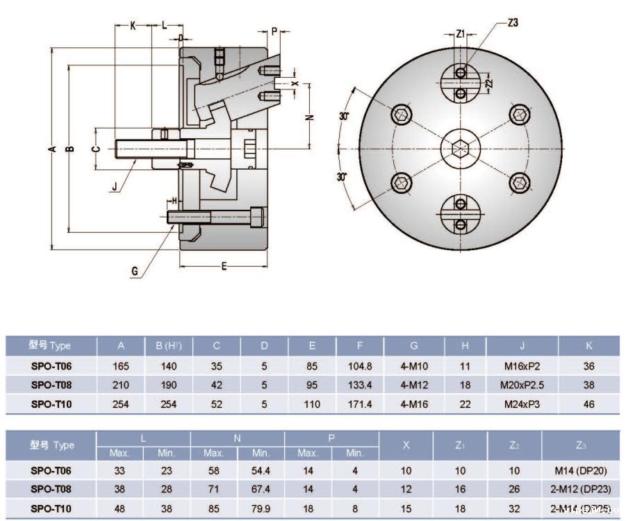
| 产品参数详情表 | ||||||||||||
| 规格 | 夹紧力(kgf) | 拉杆推力(kgf) | 爪行程直径(mm) | 夹紧直径(标准) | 夹紧直径(凸轮) | 转速(r.p.m) | 重量(kg) | 惯性矩(kgf.m²) | ||||
| SPO-T 06 | 1600 | 1000 | 7.2 | 35-85 | 35-80 | 2500 | 14 | 0.19 | ||||
| SPO-T 08 | 2800 | 1700 | 7.2 | 40-200 | 40-150 | 2200 | 26 | 0.57 | ||||
| SPO-T 10 | 4000 | 2500 | 7.2 | 50-250 | 50-200 | 1800 | 42 | 1.5 | ||||
由于具有拉动工件的功能,所以在加工后可对工件进行深度加工。
由于具有防尘结构,卡盘内部不会有异物进入,所以具有优良的耐用性。
两爪型卡盘,卡紧加工后保证工件端面的高精度性。
适合于非圆型件的不规则零件加工。
品牌中心/ Brand center
从原料到成品,经过108道工序,采用德制设备及检测仪器来完成整套加工工序,不合格品一律报废处理,确保产品出厂合格率.
一手货源,没有中间商
产品被好的品牌选用,例如︰美国哈挺、日本津上、韩国斗山等
广泛应用于航天航空、精密模具、医疗器械等夹持有精度要求的行业
拥有设计团队,半小时内掌握需求,24小时内能出具方案给到您
全国多个仓库,就近发货
3分钟内响应、当天了解、分析、解决客户对卡盘等夹具出现的一切顾虑问题
一线品牌,一级代理,快速选配,技术支持
微信咨询
400电话